Analysis & Design of Telecommunication Mounts in RISA 3D
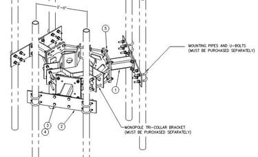
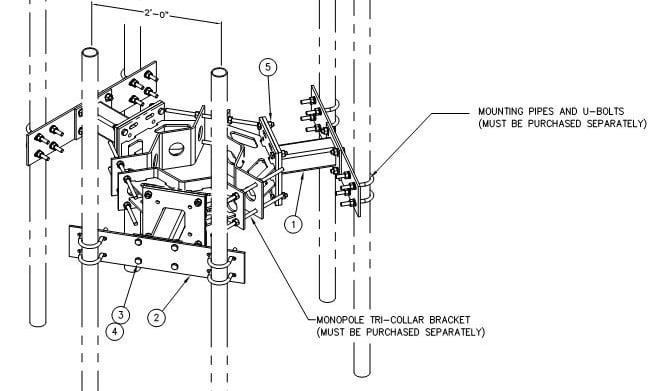
Analysis & Design of Circular Mounts in
RISA 3D
Analysis & Design of T-ARM
Analysis & Design of SECTOR
Analysis & Design of 3 SIDED SECTOR
Analysis & Design of 3 SIDED PLATFORM
Analysis & Design of QUAD PLATFORM
Analysis & Design of Telecommunication Towers in TNX Towers
Analysis & Design of Monopole Towers
Analysis & Design of Free-Standing Tower
Analysis & Design of Guyed Towers
Client Feedback
Innovative designs that prioritize safety and efficiency in every project.
Arjun's expertise transformed our project into a safe and efficient structure.
Michael J.
New York
"Arjun has been an invaluable part of our telecommunication infrastructure projects. His ability to manage complex designs and deliver high-quality solutions makes him a top structural engineer in the field."
Sarah L.
Los Angeles
★★★★★
★★★★★
Project Delivered
Proudly serving projects across the USA.
Mon-Fri 9am
Wanna talk?
info@arjunmudkondwar.in
+91-7721814110
© 2024. Arjun Mudkondwar
Contact me with any questions or just to say a few nice words ... or mean ones. Up to you .... free will and all